Manere mobila
Butoni mobila
Manere tip profil
Picioare si nivelatoare
Agatatori cuier
Rotile
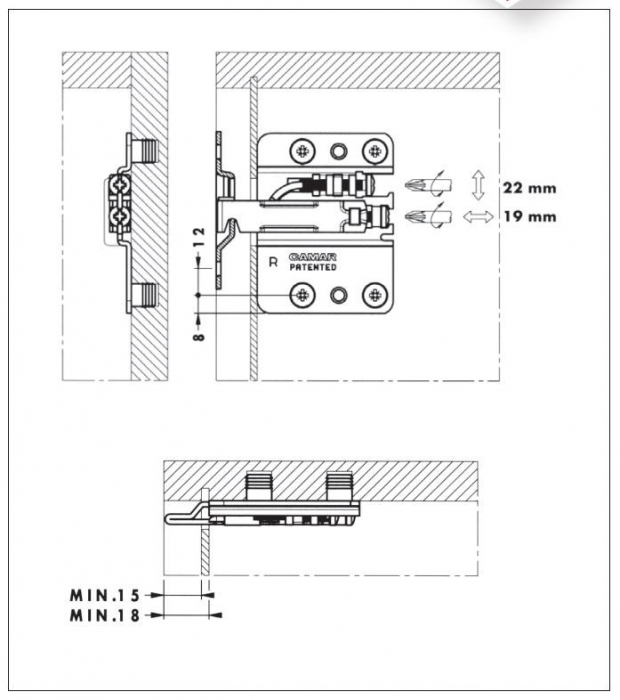
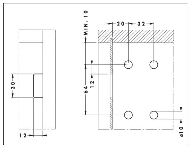
Balamale mobila
Sertare si glisiere
Cosuri Jolly
Cosuri gunoi
Scurgatoare si picuratoare
Plinta si inaltator blat
Accesorii bucatarie
Iale si inchideri
Accesorii dressing
Soluti de curatat si adezivi de lipit
Birotica
BLUM
Element fixare profil tip GOLA
Extensie masa
Grila aerisire
Sisteme pentru usi culisante
Sisteme suspendare corpuri - placi
Suport polita
Suruburi si holsuruburi
Benzi LED
Conectori banda LED
Intrerupator banda LED
Profil banda LED
Transformator banda LED
Momentan, informatiile despre siguranta produsului nu sunt disponibile.
Momentan, informatiile despre producator nu sunt disponibile.
Momentan, informatiile despre persoana responsabila nu sunt disponibile.
Social Urmareste-ne in social media
Suport clienti Luni - Vineri 8.00 - 16.30
Compara produse
Trebuie sa mai adaugi cel putin un produs pentru a compara produse.
A fost adaugat la favorite!
A fost sters din favorite!